15.12.25 22:39 Uhr

[ab 2025/2] Aufrufe: 624, Hits: 398




Prof. Dr. Josef L. Staud

BPMN-Grafiken im Großformat zu den Büchern, Web-Texten, Seminaren, Vorlesungen

Inhalt




1 Kündigung



Zurück an den Anfang




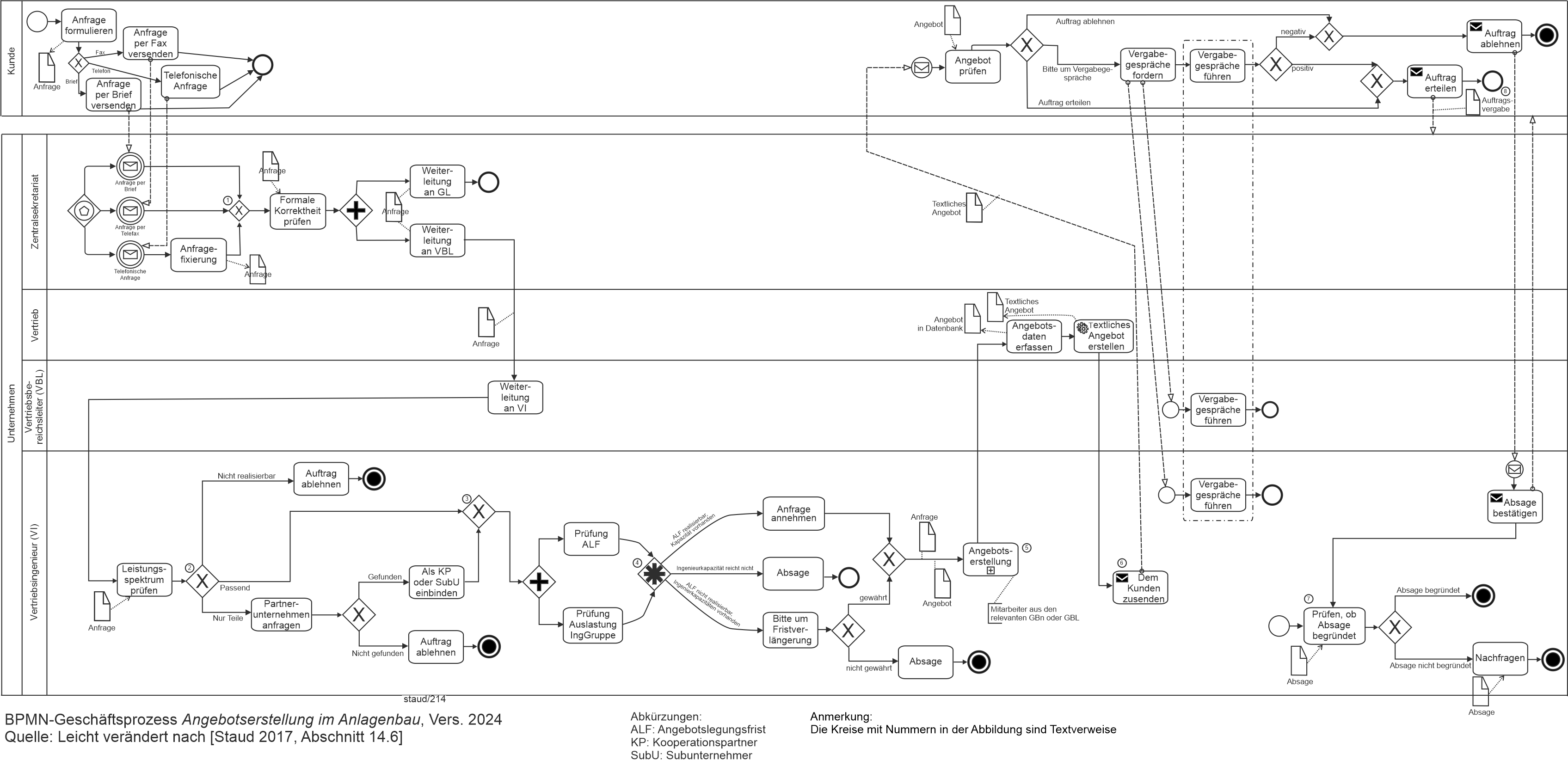
2 Angebotserstellung im Anlagenbau



Zurück an den Anfang




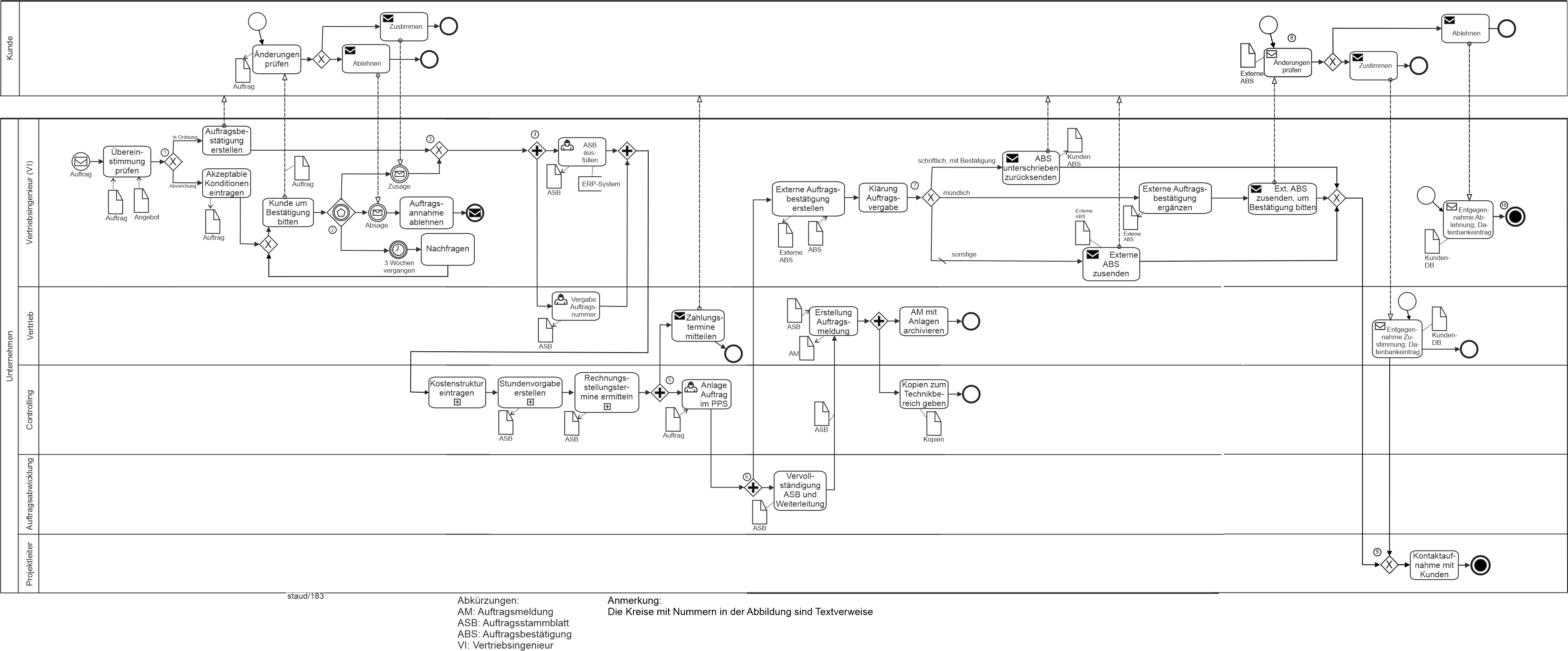
3 Auftragsstart im Anlagenbau - Teil 1 (Gesamtmodell)


Zurück an den Anfang




4 Auftragsstart im Anlagenbau - Teil 2 (Kostenstruktur)


Zurück an den Anfang




5 Auftragsstart im Anlagenbau - Teil 3 (Stundenvorgabe)


Zurück an den Anfang




6 Auftragsstart im Anlagenbau - Teil 4 (Rechnungsstellungstermine)


Zurück an den Anfang




7 Auftragsstart im Anlagenbau - Teil 5 (Kostenstundensätze)


Zurück an den Anfang




8 Auftragsstart im Anlagenbau - Teil 6 ("Aufrufstruktur")


Zurück an den Anfang




9 Zoo - Tieraufnahme


Zurück an den Anfang




10 Zoo - Rücksendung


Zurück an den Anfang




11 ActBot-Beispiel: Bestellungsänderung, Seite 1.



Vgl. [GPM Abschnitt 19.4.2] für eine Beschreibung dieses Prozessmodells.

Zurück an den Anfang




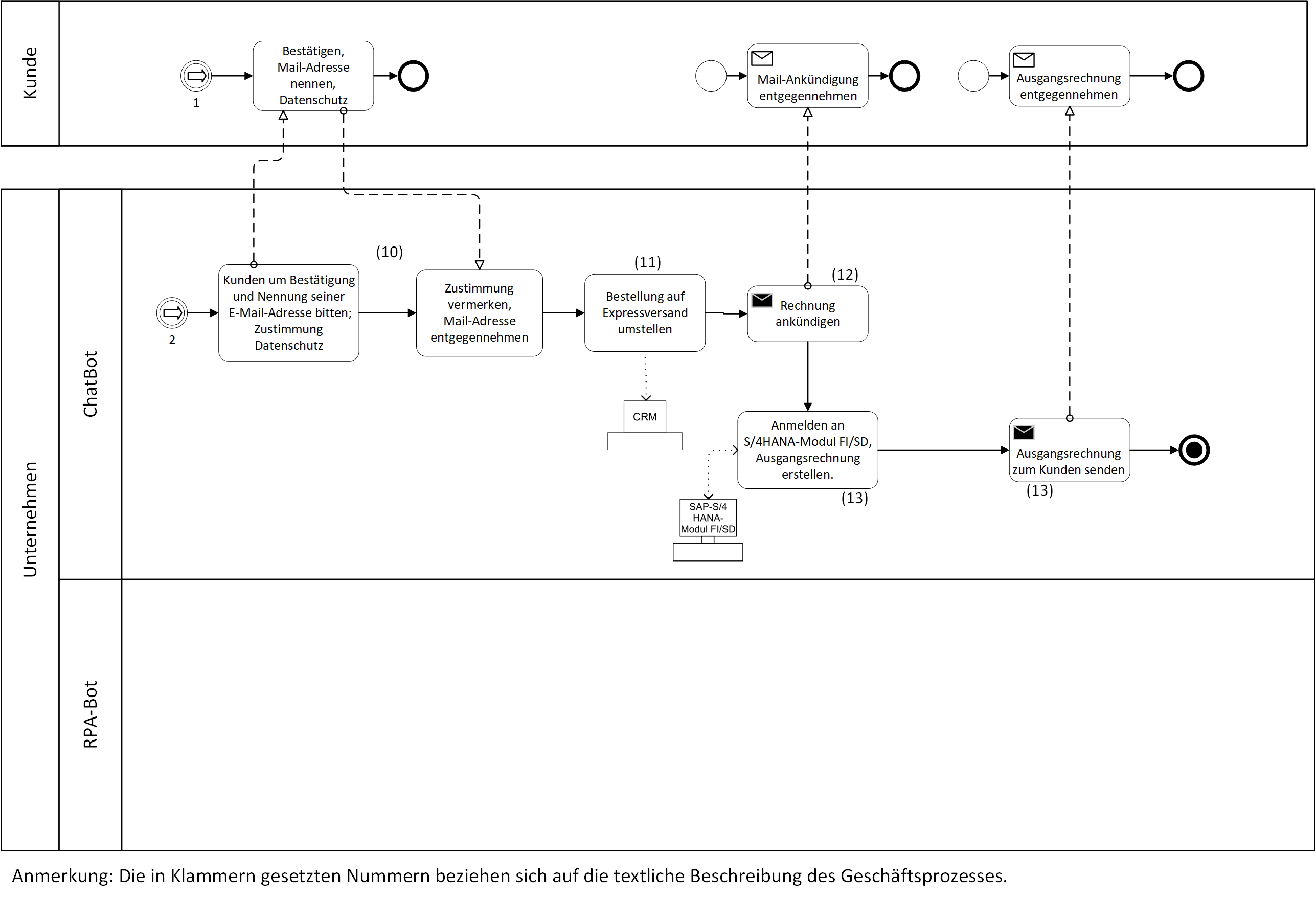
12 ActBot-Beispiel: Bestellungsänderung, Seite 2.



Vgl. [GPM Abschnitt 19.4.2] für eine Beschreibung dieses Prozessmodells.

Zurück an den Anfang




13 ActBot-Beispiel: Saldenbestätigung



Vgl. [GPM Abschnitt 19.4.2] für eine Beschreibung dieses Prozessmodells.

Zurück an den Anfang




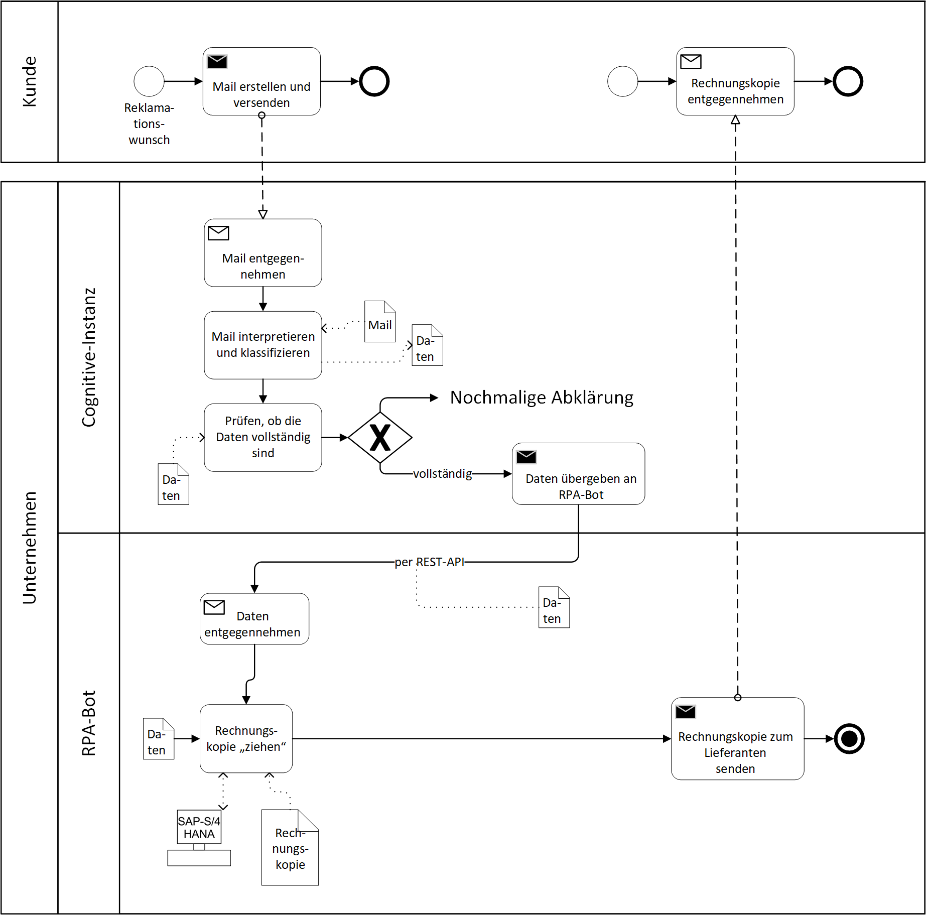
14 ActBot-Beispiel: Reklamationsmanagement



Vgl. [GPM Abschnitt 19.4.2] für eine Beschreibung dieses Prozessmodells.

Zurück an den Anfang






Nachschlagen BPMN: Ereignistypen


Zurück an den Anfang






Nachschlagen BPMN: Aufgabentypen


Zurück an den Anfang






Nachschlagen BPMN: Subprozesstypen


Zurück an den Anfang






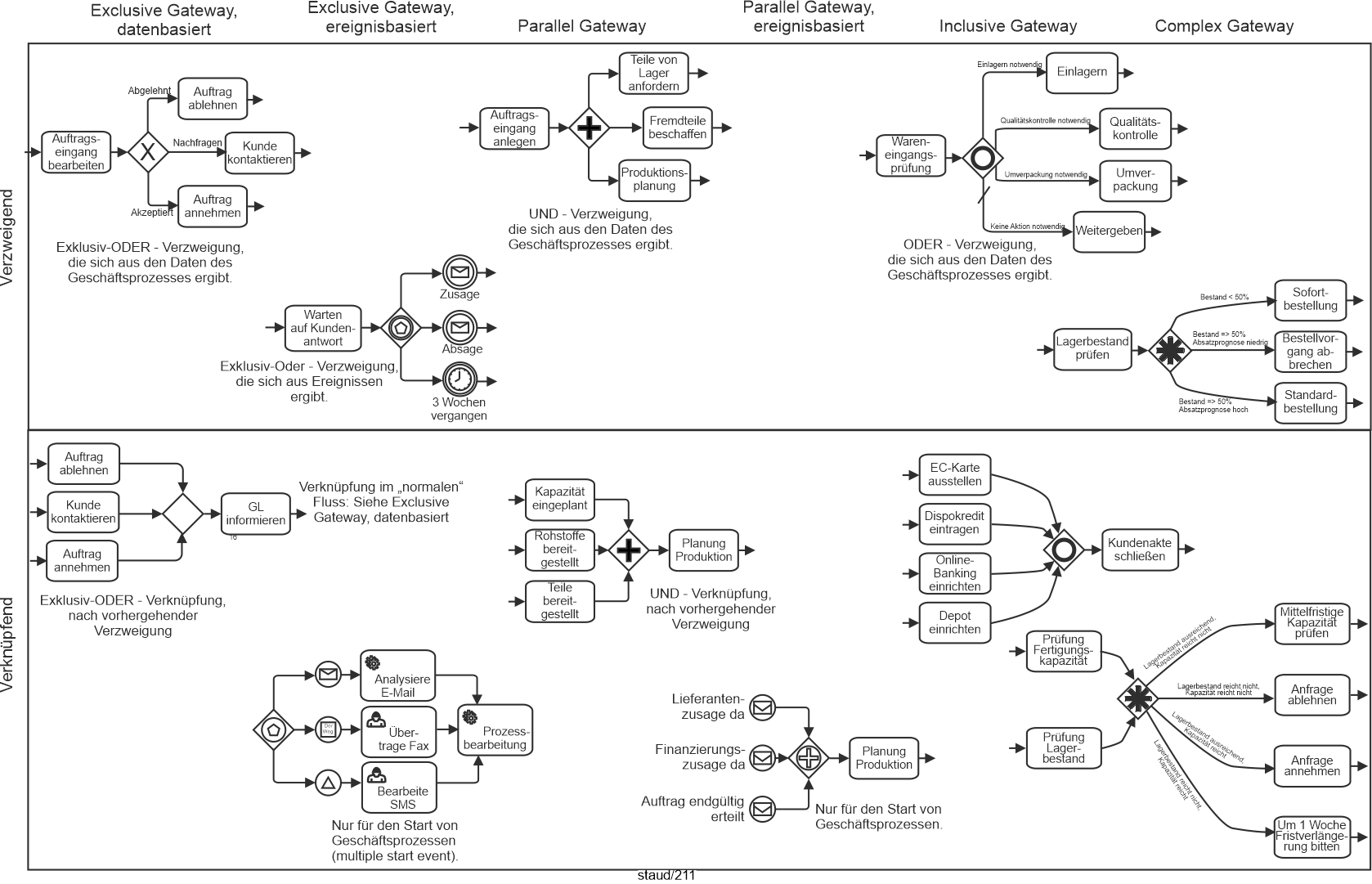
Nachschlagen BPMN: Gateways


Zurück an den Anfang